188彩票KNKE的100X遥控浮球阀,float valve,由主阀、针阀、球阀、浮球阀、微型过滤器等组成水力控制接管系统,调定后,自动控制液面。遥控浮球阀直接利用液面控制,不需要其它装置和能源,保养简便,液面控制准确度高,不受水压影响,密封好。188彩票KNKE遥控浮球阀产品用于高层建筑、生活区等供水管网系统的水塔、水池等设施的液面控制。
100X遥控浮球阀是兼具多种功能的水力操作式阀门。主要安装于水池或高架水塔的进水口处,当水位达到设定的高度时,主阀由浮球导阀控制关闭进水口停止供水;当水位下降后,主阀由浮球开关控制打开进水口向水池注水,实现自动补水。液位控制精确,不受水压干扰;100X隔膜式遥控浮球阀可随水池的高度及使用空间任意位置安装,维护、调试、检查方便、密封可靠,使用寿命长。隔膜式阀门性能可靠、强度高、动作灵活,适用于DN450mm口径以下的管道。DN500mm口径以上的建议使用活塞式。
100X遥控浮球阀压力测试

100X遥控浮球阀工作原理
当管道从进水端给水时,由于针阀、球阀、浮球阀是常开的,水通过微型过滤器、针阀、控制室、球阀、浮球阀进入水池,此时控制室不形成压力,主阀开启,水塔(池)供水。当水塔(池)的水面上升至设定高度时,浮球浮起关闭遥控浮球阀,控制室内水压升高,推动主阀关闭,供水停止。当水面下降时,遥控浮球阀重新开启,控制室水压下降,主阀再次开启继续供水,保持液面的设定高度。
100X遥控浮球阀内部结构图及主要零部件材料


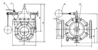
100X遥控浮球阀连接尺寸(PN 1.0-2.5MPa)


100X遥控浮球阀安装示意图












全国服务热线
