188彩票KNKE电动真空球阀,Electric vacuum ball valve,采用回转型电动、电子调节式阀门驱动装置,可以通过外接电源的切换(用手动转位开关或电脑控制)或外部输入信号,来实现球阀的开、关或中间位置的控制,从而达到接通或切断真空管路中气流的目的。以电动装置驱动阀杆与球芯来执行启闭动作,达到接通或切断真空(压力)系统管路中的介质流。进口电动真空球阀应用于真空、乳制品、酒业、生物工程、食品、制药、饮料、化妆品及化工领域。
进口电动真空球阀应用于工作压力为零压或负压的真空管道系统中的阀门,主要是用来切断、接通或调节气流量使用。电动真空球阀不仅在真空、负压、零压的状态能正常工作,也可以在低压状态下使用,并且安装的位置无要求。电动真空球阀的相关部位均经过密封加强处理,如阀门的填料、法兰连接处以及阀体阀盖的连接部位等,以防大气环境下的杂质进入阀门内腔,对介质产生污染。
进口电动真空球阀适用的工作介质为带酸、碱性的气体或液体。
进口电动真空球阀型号规格性能参数


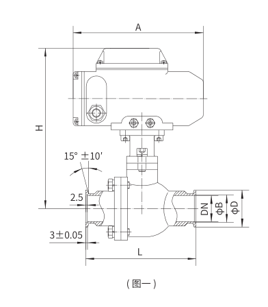
进口电动真空球阀活套法兰连接及外形尺寸(GB/T6070)


进口电动真空球阀快卸法兰(KF)连接及外形尺寸(GB4982)
















全国服务热线
