188彩票KNKE真空隔膜阀,Vacuum diaphragm valve,也叫真空负压隔膜阀,高真空隔膜阀,高真空隔膜阀是利用阀杆将橡胶膜直接压在阀座上,用来截止或接通真空系统。进口真空隔膜阀采用连接形式有活套法兰连接、快卸法兰连接、焊接式连接。焊接式连接又分焊接式I型连接(即两端焊接),焊接式II型连接(即一端焊接,另一端插入)。
进口真空隔膜阀适用的工作介质为空气及非腐蚀性气体,应用于真空、乳制品、酒业、生物工程、食品、制药、饮料、化妆品及化工领域。
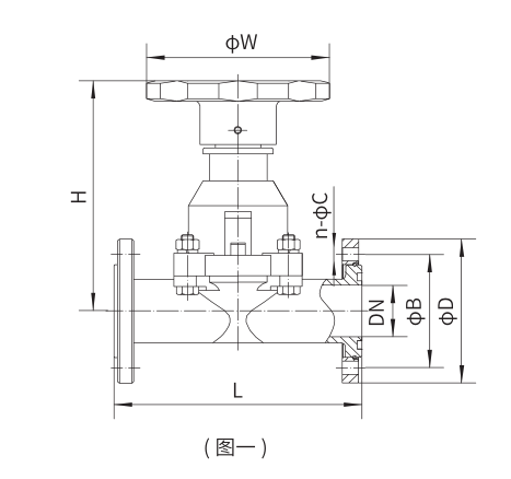
进口真空隔膜阀性能规格型号参数


(图一)活套法兰连接及外形尺寸











全国服务热线
