188彩票KNKE气动真空挡板阀,Pneumatic vacuum flapper valve,也叫气动角阀,是用压缩空气为动力,通过电磁换向阀改变气路方向,推动气缸活塞上下运动,带动阀杆上下运动,使阀板开启或关闭,从而达到在真空系统中接通或切断气流的目的。K-GDQ-J型为角通型式,K-GDQ-S型为带预抽口的三通型式。适用的工作介质为空气及非腐蚀性气体。
注:其中DN400以上底部采用死法兰n-Mb。
Pneumatic High Vacuum Flapper Valve
pneumatic high vacuum flapper valve uses solenoid directional valve to change the direction of air passage, and controls the actuating cylinder to drive the valve opened and closed. It is used to put through or cut off the airflow in vacuum pipeline. Applicable medium can be pure air and noncorrosive gases.
With signal feedback device.
进口气动真空挡板阀性能规格型号参数


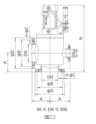
(图二)进口气动真空挡板阀连接及外形尺寸






全国服务热线
